A Safety Protection Expert Designed for Extreme Environments

Military-grade Sealing Protection (IP67)
- Fully Sealed: Blocks dust completely to keep the equipment clean.
- Waterproof: Handles short-term immersion in water, like heavy rain or floods.
- Materials: Uses EPDM silicone rubber for durability and temperature resistance.
- Uses: Works well in tough places like coasts, deserts, and wet areas.
Super Anti-Pollution Capability (Class E/Level IV)
- Industry Leading: Effectively handles industrial dust, salt spray, and chemical pollutants.
- Innovative Design: Nano-coating technology enhances self-cleaning efficiency by 40%.
- User Value: Reduces maintenance frequency by 80% and extends equipment lifespan.
Smart Diversion and Drainage System
- Biomimetic Diversion Channel Design: Rapid drainage to prevent water accumulation and corrosion.
- Self-Cleaning Structure: Prevents accumulation of bird droppings and fallen leaves, inhibiting microbial growth.
- Data Support: Laboratory simulations show no corrosion after 20 years of acid rain exposure.
Dual Explosion-Proof Protection
- Independent sealed chamber to isolate electric arcs from the external environment.
- Intelligent pressure relief channel for directional release of overpressure to prevent explosions.
- Technical Highlight: Verified through 100,000 pressure cycle tests.
Technical Parameters
| Rated Voltage (Un) | 12 kV | ||
| Rated Voltage (Un) | 630 A | ||
| Rated Frequency | 50 Hz | ||
| Rated Insulation Level | Power Frequency Withstand Voltage | Dry Test | 42 / 48 kV (Relative to ground / Between poles / Break point ) |
| Wet Test | 34 kV (Relative to ground / Between poles ) | ||
| Lightning Impulse Withstand Voltage | 75 / 85 kV (Relative to ground / Between poles / Break point ) | ||
| Rated Short-circuit Breaking Current | 20 / 25 kA | ||
| Rated Short-circuit Making Current (Peak Value) | 50 / 63 kA | ||
| Rated Peak Withstand Current | 50 / 63 kA | ||
| Rated Short-Time Withstand Current | 20 / 25 kA | ||
| Rated Short-circuit Duration | 4 s | ||
| DC Component of Rated Short-circuit Breaking Current | 52% | ||
| Rated Operating Sequence | O – 0.3 s- CO – 180 s – CO | ||
| Lifespan | M2 level (10,000 operations, permanent magnet mechanism: 30,000 operations) | ||
| *Standard:IEC62271-100 | |||
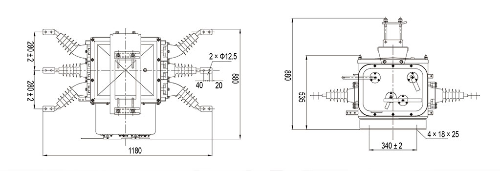
Outling Drawing (Unit: mm)

Click the button below get more information.
Fill the form and get this beautiful PDF link instantly to your email-inbox.
Title: TANK TYPE CIRCUIT BREAKER CLW20【EN】_V1.2
file size: 596.11 KB
published: 16 Dec, 2025



