Many people are messing up with the energy meter type descriptions.
There are two standards for the wiring of bottom-connected
energy meters.
- DIN 43857
- BS 5685
In meter- or test bench descriptions you can find various expressions, all with the same meaning.
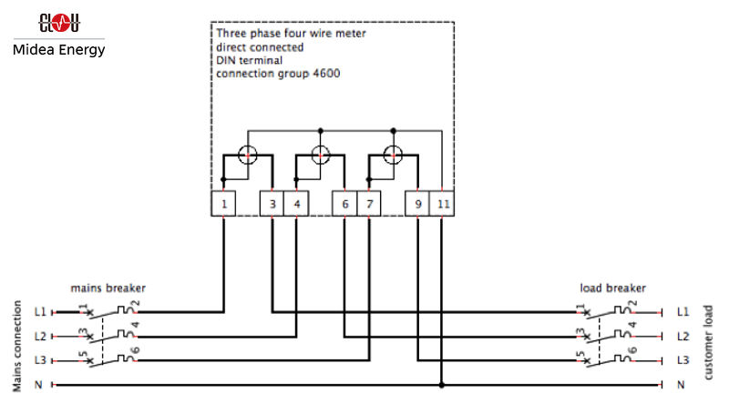
DIN 43857 refers also to:
– DIN terminal
– asymmetrical connection
– sequential wiring
– LLLLLLNN (for 3 phase 4 wire meters)
– LLNN (for singlephase meters)
– AABBCCNN (for 3 phase 4 wire meters)

BS 5685 refers also to:
– BS terminal
– symmetrical connection
– LLLNNLLL (for 3 phase 4 wire meters)
– LNNL (for singlephase meters)
– ABCNNCBA (for 3 phase 4 wire meters)

Editor's note: This article was originally published in July 2019 and has been updated for comprehensiveness.




Hello,
Can i install two indirect meters in parallel?
If yes, how to connect the two meters by the same CTs?
Thanks in advance
It's a typical utility approach to have backup-meters for transformer-operated energy meters. The secondary windings of the CTs are in this case looped through both meters before returning to the CTs (current terminals in series). For safety reasons, make sure that you have shortened the secondary side at the CTs, before you open the current circuit. I suggest, you read the related article first.
After having both meters in parallel, make a CT-circuit burden measurement. The second meter might overburden the CTs due to additional resistance, leading to in-accurate measurements.
Great article! Terminal wiring for electrical energy meters is a crucial aspect of the installation process, as it ensures accurate measurement and monitoring of energy consumption. The terminal wiring connects the meter to the electrical circuit, enabling the measurement of the voltage and current flowing through the circuit. It's essential to ensure that the wiring is correctly installed, and the connections are tight to prevent any loose connections that can lead to inaccurate readings or even electrical hazards. Additionally, it's important to follow the manufacturer's guidelines and local regulations for terminal wiring to ensure compliance and safety. A professional electrician should always be consulted for any installation or wiring work related to electrical energy meters.
Thank you kindly for taking the time to comment and sharing your valuable expertise with our readers.
It is deeply appreciated.
Dears:
Please quote us 34 ea DIN 43857 units.
Thank you for your message. The DIN 43857 refers only to outer dimensions and terminal wiring. In the example are only shown the three-phase 4 wire connections.
For a quote we need some basic information like: single phase or three phase meter, nominal current and maximum current. Better you select a meter type from our energy meter overview and use the contact form for the RFQ.