All energy meters need power to make them work. The electromechanical meters have voltage and current coils to rotate the disc and to drive the counter.
Electronic energy meters need power for the micro-processor and some auxiliary circuits.
This power is part of the technical losses
Technical vs Non-Technical Losses: What You Need to Know. The utilities are bearing these costs. The end-user is not charged for the power consumption or self-consumption.
The IEC 62052-11 states the maximum power consumption in the voltage circuit with 2 W and 10 VA per phase at nominal voltage.
When we have an electromechanical meter (cl. 1), the consumption in the current circuit is maximum 4 VA per phase at nominal current
Where is the Basic Current?.
For electronic meters it's 1 VA per phase at nominal current.
Testing the power consumption is part of the energy meter type tests. You can repeat the tests in your laboratory.
![]()
Safeguarding Yourself: A Guide to Personal Safety with Electrical Installations The audience for the following part are technical engineers from power company and utility laboratories. This is no on-site test. Meter users are not allowed to open the terminal cover for legal- and for safety reasons!
Power consumption tests
You need a voltage- and current source together with a measurement device. The accuracy of the measurement shall be better than ± 5%.

Class 0.05 Three Phase Multifunctional Standard CL3115CIn our calibration laboratory, we are using a reference standard CL3115 with an accuracy of ± 0.02%.
It's for this test really not necessary to maintain such high accuracy, but the instrument is for multipurpose use.
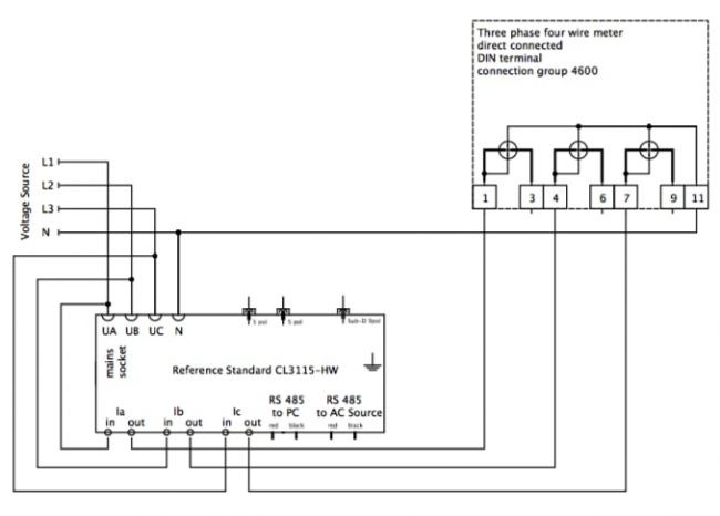
Voltage circuit power consumption test
The principle is to measure the current in the voltage circuit.

You wire according to the diagram and apply the nominal voltage. The reference standard will indicate the active power P and the apparent power S for all three phases at the same time.
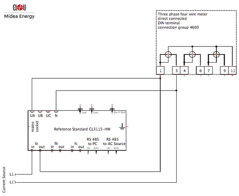
Current circuit power consumption test
The internal power consumption comes mainly from the relay contact resistance and measurement shunt. Here the principle is to measure the voltage drop.

You apply the nominal current and measure the voltage drop between the in- and out terminals for each phase individually.
Conclusion
The self- or power consumption of energy meters is a cost factor for the energy service providers. To make sure that the end-user isn't charged, the IEC 62052-11 has introduced the no-load test to verify that the meter is not starting with voltage only.
The consumption in the current circuit is covered by the accuracy calibration for different load points.
Thank you for reading and stay safe.
Editor's note: This article was originally published in August 2021 and has been updated for comprehensiveness.




Thanks so much for this information.
My question: when carrying out power consumption Test on Current circuit, will the meter be turned on while under test? Because I tried it, the meter didn't turn on.
On voltage circuit consumption, the meter turned on.
Your quick response is appreciated.
Thanks.
Thank you for your question, Sadiku.
For electronic energy meters, the internal electronics require a minimum supply voltage—typically around 25 V—to power up and operate correctly. When you perform a power consumption test on the current circuit, you usually use a current source that provides only a small driving voltage (often less than 1 V) and, importantly, this setup does not connect to the meter's neutral. As a result, the meter does not receive the necessary voltage to power on during this test.
In contrast, when you test the voltage circuit, you apply the required supply voltage directly to the meter, allowing it to power up and function as expected.
Thank you for this helpful topic, May I ask about why we consider the active and apparent power in voltage circuit while considering apparent power only in current circuit ?
Thank you for your question. The consumption in the voltage circuit is constant. It is needed to power-up the microprocessor and the display. The active power value is here indicated to give utilities an information for the extra power, which they need to provided to the grid to have the meters powered up. Imagine you have an installation of one million meters, makes 2 MW power, which is not covered by the energy meter billing. For this reason, the active power consumption should be as low as possible. The IEC gives only the maximum allowed value. Our meters have by now less than 0.5 W self consumption in voltage. The case for current is different. The power consumption in the current circuit is linear to the load current. These component is billed to the end-user. The meter calibration assures that the meter is within its accuracy class, including the self consumption in current.
Now I understand how to test using a reference standard. Thank you.
Thank you for kind feedback.